Loading...
Methermo Original Naar binnen draaiende ramen

MV

Methermo Original inbraakwerend naar binnen vallend raam, type MV.

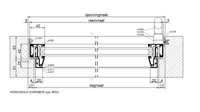
Methermo Original valramen zijn er in verschillende uitvoeringen, onderstaande weergave is van type MV-6.

  • HR++ isolatieglas, glasdikte maximaal 27 mm
  • geïsoleerd aluminium raamprofiel
  • rvs scharnieren nr. 1038
  • raamgreepcombinatie
    nr. 3143, nr. 3144 en nr. 8464
  • sluitplaten nr. 3148
  • valbeugel nr. 5214 of nr. 5215
  • ontwateringsframe van profiel
    nr. 3371, nr. 3372, nr. 3373 en nr. 3375
  • afdichtingsrubbers nr. 3111 en nr. 3112.s

Bekijk alle varianten en technische details in de documentatie.

MV-6
Valraam, glasdikte tot 28 mm
MV-18
Valraam, glasdikte tot 39 mm
MV-20
Valraam, glasdikte tot 45 mm
MV-29
Valraam, glasdikte tot 39 mm (brandwerend)

Metaglas denkt graag met u mee. Heeft u vragen over de vele mogelijkheden van de Methermo Original naar binnen vallende ramen of wilt u advies over de mogelijkheden voor uw project? Neem dan contact met ons op. Wij helpen u graag verder.

Laat een bericht achter
Kom in contact!